• 头条水冷静止变频器的研究与设计
    2021-12-19 作者:王超 漫自强 等  |  来源:《电气技术》  |  点击率:
    分享到:
    导语常州博瑞电力自动化设备有限公司、南京南瑞继保电气有限公司的研究人员王超、漫自强、徐峰、蔡恒,在2021年第1期《电气技术》上撰文,通过分析静止变频器的应用现状,提出水冷型静止变频器的应用需求。该静止变频器核心设计包括紧凑型阀组和水冷系统两部分,文中首先介绍了紧凑型阀组设计及特点,其次介绍应用于静止变频器的水冷系统设计要点,最后通过仿真对散热器流量进行匹配计算,保证各元器件的可靠运行。

    抽蓄电站在保证电力系统安全、稳定、经济运行中发挥着重要作用。为实现抽水蓄能机组平稳起动,一般采用静止变频器(static frequency converter, SFC)。它通过调节自身频率带动机组运转并使机组达到同步转速,最终实现机组并网。

    站内采用的SFC可分为风冷和水冷两种。相较于风冷SFC,水冷SFC晶闸管散热器散热效率更高,具有容量大、体积小的特点,便于SFC屏柜室的布置与现场施工。其水冷散热方式在避免大功率风机产生噪声的同时,可将扩散到机柜室内的热量控制在5%~10%以内,利于机柜室内温度控制,大大优化了工作环境。

    然而目前在运行的抽蓄电站中,水冷SFC均为国外进口设备,存在价格昂贵、检修维护困难、技术服务不便等弊端,不利于站内运维。因此,研制国产化的水冷SFC十分必要。

    1 水冷型SFC工作原理

    1.1 SFC工作原理

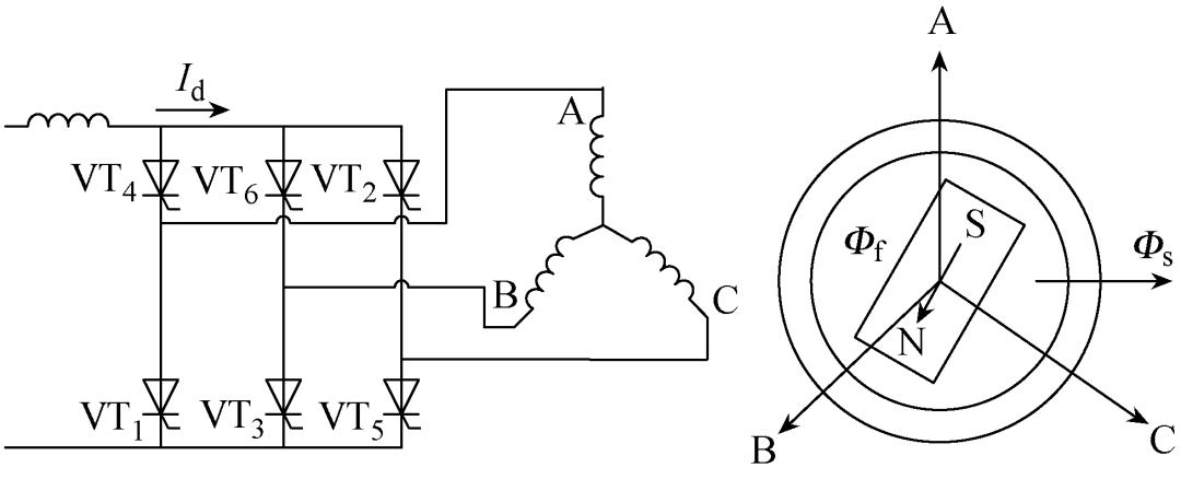
    静止变频器根据发电机转子位置以逐渐升高的频率交替向发电机定子某两相通入电流,产生超前于转子磁场的定子旋转磁场,通过定子磁场与转子磁场的相互作用生成加速力矩将转子加速到指定转速。如图1所示,控制机侧变流器晶闸管的顺序导通和换向,保证在定子两相绕组中流通的直流电流Id产生的定子磁场◆s总是超前于转子磁场◆f。

    作为一种自控式同步电机变频驱动系统,需要实时准确观测发电机转子位置作为逆变桥换相依据。与此同时,由于晶闸管是半控型器件,当发电机转速较低时,同步电机感应电势无法满足晶闸管关断需求,需采用脉冲换相方式。当发电机转速高于10%额定转速时,感应电势幅值升高,可采用负载换相方式。

    水冷静止变频器的研究与设计

    图1 SFC基本工作原理

    1.2 水冷系统原理

    静止变频器运行过程中,晶闸管产生大量热量,通过水冷散热方式,可高效、快速地带出热量,水冷系统流程图如图2所示,水冷系统包含内循环和外循环两个回路。

    在内循环回路中,主循环泵提供适当压力,使冷却介质流经晶闸管散热器件,并将晶闸管中的热量带走。经过板式换热器,内循环回路中的冷却介质热量传递到外循环回路冷却介质中。内循环回路中的冷却介质温度降低再次流入晶闸管散热器中,形成闭式循环。

    在外循环回路中,板式换热器的热量通过冷却介质回流到抽蓄电站水源,由于水源体量巨大,自然冷却即可实现外循环冷却介质重复利用。此外,为了保证冷却系统容量稳定、保护静止变频器的冷却管路以及满足电气运行要求,在内、外循环回路中均需要加入过滤器、去离子支路、稳压支路等,提高冷却介质质量。

    水冷静止变频器的研究与设计

    图2 水冷系统原理图

    2 水冷型SFC紧凑型阀组设计

    本次提供的紧凑型阀组以12-6脉动拓扑结构为设计依据,在外形尺寸、检修维护及可靠性方面进行了特殊设计,目的是应对小空间、设备改造、定期维护等需求。

    2.1 整体布局概述

    如图3所示,本方案从左至右依次为控制柜及水冷柜、网桥柜、直流电抗器柜、机桥柜。进线电缆从网桥柜底部接入,通过铜排转接至直流电抗器柜和机桥柜。布局中,控制柜及水冷柜背靠背布置,可节省横向尺寸、并使柜体宽度保持一致。

    水冷静止变频器的研究与设计

    图3 SFC整体平面布局图

    按照该布局,设备整体二次控制部分集中在控制柜内,与功率器件部分间隔远,提高了操作的安全性。网桥柜、直流电抗器柜与机桥柜为三联柜,柜间接线及水路预先安装,减少现场工作。

    2.2 阀组布置及紧凑型结构设计

    整体布局中,阀组的尺寸及出线位置决定了网桥柜与机桥柜的走线方式。在满足检修、维护的基础上,减小阀组尺寸、合理布置阀组高度可增大柜内走线空间,提高电气安全裕度。阀组在机桥柜与网桥柜内均为三层布置,分别对应A、B、C三相。

    单个阀组包括晶闸管、散热器、晶闸管控制单元、电阻、电容、加压装置及其他辅助结构件。阀组作为完整模块可进行单独安装和拆卸。如图4所示,阀组为三层结构。晶闸管、散热器、加压装置与辅助结构件构成的硅堆位于阀组中层,电阻及电容布置在阀组上层。

    根据各器件在现场的维护频次及难度,将需要水冷却的电阻布置在阀组前侧,电容布置在后侧,便于电阻年检及水接头更换。电阻与硅堆高度方向预留90mm的空间,便于拆装电阻底部的固定螺钉。晶闸管控制单元布置在阀组下层,通过硅堆的散热器翅片固定并取晶闸管阴极电位。

    晶闸管控制单元光纤插口朝外,接线端朝内,方便光纤的现场敷设。晶闸管压接力135kN,根据国标GB/T 1972—2016选取承载力、刚度较大的A系列碟簧,计算单片碟簧工作状态压缩量为2.35mm。为确保检修时有足够空间取出晶闸管定位销,须确保加压机构加压前后约有10mm的伸缩量,故碟簧片数定为4片,此时伸缩量为9.4mm。

    电阻、电容固定用安装板采用环氧玻璃布层压板,具有较低的吸湿性和较高强度,防止晶闸管级间爬距在湿度较大环境失效。电阻外表面包覆PVDF外壳,绝缘能力强。各级电容之间的安装板上开槽,增大电容间爬距。

    水冷静止变频器的研究与设计

    图4 硅堆及阀组布置图

    2.3 阀组水路设计

    水冷型SFC采用纯水对散热器冷却的方式间接冷却晶闸管和电阻。每个散热器均设置有一个进水口和一个出水口。图4中,阀组前方横向安装一根进水管和一根回水管,并根据散热器位置开设有水嘴。进水管水嘴通过四氟管连接到散热器进水口,回水管水嘴连接到散热器出水口,形成散热器水路循环。

    为减小水路流阻,确保电阻散热效果,电阻与散热器水路采用并联方式。进水管、回水管单独开设水嘴对应电阻,通过四氟管连接到电阻进、出水口,形成电阻水路循环。

    网桥柜、机桥柜中,阀组按照A、B、C三相对应关系布置在同一高度、同一深度。该特点使柜内主水管弯头减少、布局精简。为降低阀组水路最高点,避免水管对水冷系统形成负压导致气体聚集,主水管均从柜体底部接入阀组,顶部阀组支路水管即为设备水位最高点。

    3 水冷系统设计

    电力电子装置在工作中所产生的热量,将导致大功率半导体器件温度逐渐升高,如果没有适当的散热措施,就可能使大功率半导体器件的温度超过所允许的最高结温,从而导致其性能恶化以致损坏。为保证设备的正常运行,需要安装各种形式的散热器,如型材散热器、热管散热器及水冷散热器等,将半导体器件工作时产生的热量迅速带走。

    3.1 静止变频器散热技术现状

    目前静止变频器主要采用风冷对发热电子器件进行冷却。长时间运行发现,风冷室内散热对周围环境温度影响大、暖通要求高;同时风冷开放式散热结构不利于柜体对粉尘、水汽防护;此外,风冷的散热效率较低,风冷型SFC产品屏的柜尺寸较大,对地下厂房布置空间要求较高。

    相较于风冷散热,水冷散热具有噪声小、维护方便、结构紧凑的优点,在大容量静止变频器的工程实施中备受青睐。

    3.2 运用于水冷型SFC的冷却系统特点概述

    由于SFC间歇起动的特点,采用水冷方式散热需控制冷却介质的电导率及防止器件凝露,避免器件放电、短路引起的严重危害。水冷型SFC设备通过对内水冷系统定时起动方式,解决静止变频器电导率高及凝露问题,确保静止变频器在短时工作制下满足随起随用的要求。

    定时起动通过定时起动内循环水泵,监测整个内循环冷却水中的电导率及温度。监测电导率作为去离子支路起动判据,监测水温作为内水冷加热器及外水冷三通阀工作判据,确保静止变频器电导率及水温始终满足运行需求,达到静止变频器可以随时起动机组的目的。

    3.3 运用于水冷型SFC的冷却系统实现方案

    按照冷却系统工作特点,在达到定时起动条件时,其工作过程如图5所示。系统每隔一段时间起动主循环泵并根据监测电导率和水温进行动作。电导率高则起动去离子支路,水温低则起动电加热器并减小三通阀开度,直到冷却水的电导率及水温回到正常值。此时,关闭去离子支路和电加热器,主循环泵停止。

    如图6所示,在静止变频器出水端设置电导率变送器,静止变频器的出水端和进水端均设置温度变送器,实时监测电导率和水温并上传至水冷控制柜。出水端的温度变送器监测出水温度,温度过高时,说明静止变频器内功率器件或管路发生异常,系统报警并停止工作。

    出水端电导率变送器监测冷却液流经散热器后的电导率,当达到水冷控制柜设置的定值时,控制柜发出信号起动去离子支路,在冷却液再次循环入散热器前去离子。静止变频器内冷却液的温度最低点位于进水端,即该位置易发生凝露。故设置入水端温度变送器监测并上传水冷控制柜。

    当温度低于定值时,控制柜发出信号控制三通阀开度以减小板式换热器换热效率并打开电加热器,使冷却液进水温度高于凝露点。

    4 晶闸管水冷散热仿真

    阀组采用晶闸管散热器、电阻相互并联的水路对发热器件散热。在并联水路中,各并联支路的流阻相等、流量不同,即两种水路的流量存在匹配关系。水路流量匹配关系不合理会造成一项水路流量满足散热需求时,另一项水路流量严重偏离散热需求,最终造成水冷总流量的不足或过剩。通过仿真计算,调整散热器与水电阻的流阻,可使水路流量关系达到合理范围。

    水冷静止变频器的研究与设计

    图5 定时起动流程图

    水冷静止变频器的研究与设计

    图6 静止变频器水冷原理图

    4.1 初始条件设定

    电阻为定型产品,按照发热功率及进水温度,可查知电阻冷却流量不低于3.5L/min,流阻为55kPa。

    散热器分低流量型和高流量型两种,两种散热器外形相同。低流量型散热器内部流道截面尺寸4mm×4mm,高流量型散热器内部流道截面尺寸7mm×7mm。散热器的进散热器水温50℃,换热量为2kW,按进出水温升10K确定散热器设计流量为14L/min,其接触情况如图7所示。

    水冷静止变频器的研究与设计

    图7 散热器与发热元件接触示意图

    4.2 仿真计算

    图8、图9所示分别为低流量型散热器和高流量型散热器压力分布云图。在流量为14L/min时,低流量型散热器流道的进出水口压差为183kPa,高流量型散热器流道的进出水口压差为58.6kPa。

    水冷静止变频器的研究与设计

    图8 低流量型散热器流道压力分布云图

    水冷静止变频器的研究与设计

    图9 高流量型散热器流道压力分布云图

    该结果中低流量型散热器的进出口压差高于水电阻的3倍。若低流量型散热器与电阻并联使用,在散热器流量达到14L/min时,水电机组流量远高于3.5L/min,将造成流量浪费。此时高流量型散热器与水电阻的压差相近,流量匹配情况良好,因此选用高流量型散热器。

    图10所示为高流量型散热器表面温度分布云图。在流量为14L/min时,散热器表面温度最高点为散热器中心,温度值为68.6℃。

    水冷静止变频器的研究与设计

    图10 高流量型散热器表面温度分布云图

    4.3 仿真小结

    根据仿真结果,高流量型晶闸管散热器与电阻的流阻接近,两种水路的流量匹配关系合理。在该匹配关系下正常使用,晶闸管运行温度满足使用要求,因此选用高流量型散热器。

    5 结论

    本文介绍了水冷型SFC的设计方案及仿真,包括紧凑型阀组及水冷系统的原理、特点与方案。该水冷型SFC结构紧凑、容量大、维护方便,符合静止变频器的主流发展和需求,具有广阔应用前景。水冷型SFC的国产化,可提升抽蓄电站的运行容量、优化电站运维环境,为风冷SFC及国外水冷型SFC的扩容及改造提供了可行方案。